Основные моменты
Модель: GMP104Б1-05Су/25,4
1. Ggeomaster Mini Prism (GMP104)
2Geomaster Мини-призма L-образного мониторинга
3.Prism Aperture: 25,4 мм
4. Copper покрыт (CU), водонепроницаемый
5.Prism Точность: ≦5 » (с отчетом Zygo)
6.Диапазон измерения: до 1000
7. с МАджор исправляет отверстия и Мине исправлять отверстия
| штат: | |
|---|---|
| Количество: | |
ГМП104Б1-05Су/25,4
Geomaster
90318090
Технические характеристики
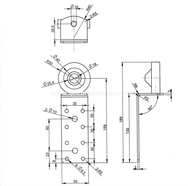
Модель: GMP104 B1 -05Cu/ 25.4
1. Мини-призма Geomaster L-bar ( GMP 104)
2. Апертура мини-призмы: 25.4мм (1 дюйм)
3. Точность призмы: ≦ 5 дюймов (с отчетом в реальном времени, созданным Zygo) 4.
Центральная высота: 159 мм
( как
показано на рисунке 5. Постоянная призмы: в зависимости от монтажного положения 6. C
7. Отражательная способность призмы: 95%
8. Чистота поверхности призмы: 60 ~ 40
9. Диапазон измерения: до 1000 м (при нормальных погодных условиях)
Характеристики
Модель: GMP104 B1 -05Cu/25,4
2. Герметично
запечатанный корпус из черного анодированного алюминия, пыленепроницаемый, влагонепроницаемый и водонепроницаемый
для тяжелых условий эксплуатации.
3. Прочный алюминиевый держатель L-образной планки с различными крепежными отверстиями для соответствия желаемой рабочей высоте.
1) Монтажная пластина: 130 мм (В) × 50 мм (Ш) × 3 мм (Т.)
2) Монтажное сиденье: 25,9 мм (Ш) × 3 мм (Т.)
3) 2 основных Крепежные отверстия (диаметр 10) и 8 дополнительных крепежных отверстий (диаметр 6,5).
4. Сервис по индивидуальному заказу
1) Точность призмы: 3 дюйма (GMP104 B1 -03Cu), 5 дюймов (GMP104 B1 -05 Cu), 8 дюймов (GMP104 B1 -08 Cu)
2) Апертура призмы: 38.1мм (1,5 дюйма), 25.4мм (1 дюйм), 12.7мм (0,5 дюйма)
3) Покрытие призмы: без покрытия, с медным покрытием ( Cu ), с серебряным покрытием (Ag ), с антибликовым покрытием ( AR ), с алюминиевым
покрытием
4) Цвета L-образной балки: анодирование чернением или белое анодирование
5) Высота L-образной планки
6) Магнитная монтажная пластина
Примечание. Любые обновления могут быть изменены без предварительного уведомления.
Геодезический инструмент, геодезическое оборудование, геодезические аксессуары, мобильная картографическая система, мобильная картографическая съемка, съемка LiDAR, картографическая система SLAM, удаленная съемка, геопространственные данные,
захват реальности, съемка SLAM, геодезическая призма, призма 360 градусов, призма 90 градусов, призма «кошачий глаз», мини-призма, набор мини-призм, система мини-призм, мини-мониторинг Призма, призма мониторинга, отражатель призмы, призма отражателя, призма дорожного мониторинга, дорожная призма, дорожная шпилька, роботизированная призма, роботизированная призма, роботизированная призма, вращающаяся призма, мини-призма для разбивки, комплект поперечных призм, система поперечных призм
, туннельная призма, призма для дрона, призма для БПЛА, призма GPS, лазерная призма, сканер Призма, 3D-призма, целевая призма, оптическое стекло, оптическая призма, оптический квадрат, светодиодная мигающая
призма, мигающая призма, стробоскопическая призма, туннельная призма, строительная призма, призма метро, L-образная призма, L-образная мини-призма, U-образная мини-призма, U-образная мини-призма, U-образная призма мониторинга, двухсторонняя призма, двухсторонняя призма
, мини-45 градусов Призма, Призма GMP, Дорожная призма, Круглая дорожная призма, Квадратная дорожная призма, Дорожная шпилька, Мини-пакет призм, Шаровая призма, Шаровая мини-призма, Скользящая призма, Скользящая мини-призма,
Сферически установленный ретро-отражатель (SMR), Красный кольцевой отражатель (RRR), Лазерный трекер, Сферическая призма, Сферический отражатель, Рельсовый башмак, Рельсовый башмак, Светоотражающая сфера Призма, премьер-призма
(Faro, Geomax, GeoSLAM, Leica, Mini, Marvice, Nikon, Onrol, Pentax, Riegl, SECO, Sokkia, Spectra, Stonex, Topcon, Trimble, Zeb, Geomaster)
Технические характеристики
Модель: GMP104 B1 -05Cu/ 25.4
1. Мини-призма Geomaster L-bar ( GMP 104)
2. Апертура мини-призмы: 25.4мм (1 дюйм)
3. Точность призмы: ≦ 5 дюймов (с отчетом в реальном времени, созданным Zygo) 4.
Центральная высота: 159 мм
( как
показано на рисунке 5. Постоянная призмы: в зависимости от монтажного положения 6. C
7. Отражательная способность призмы: 95%
8. Чистота поверхности призмы: 60 ~ 40
9. Диапазон измерения: до 1000 м (при нормальных погодных условиях)
Характеристики
Модель: GMP104 B1 -05Cu/25,4
2. Герметично
запечатанный корпус из черного анодированного алюминия, пыленепроницаемый, влагонепроницаемый и водонепроницаемый
для тяжелых условий эксплуатации.
3. Прочный алюминиевый держатель L-образной планки с различными крепежными отверстиями для соответствия желаемой рабочей высоте.
1) Монтажная пластина: 130 мм (В) × 50 мм (Ш) × 3 мм (Т.)
2) Монтажное сиденье: 25,9 мм (Ш) × 3 мм (Т.)
3) 2 основных Крепежные отверстия (диаметр 10) и 8 дополнительных крепежных отверстий (диаметр 6,5).
4. Сервис по индивидуальному заказу
1) Точность призмы: 3 дюйма (GMP104 B1 -03Cu), 5 дюймов (GMP104 B1 -05 Cu), 8 дюймов (GMP104 B1 -08 Cu)
2) Апертура призмы: 38.1мм (1,5 дюйма), 25.4мм (1 дюйм), 12.7мм (0,5 дюйма)
3) Покрытие призмы: без покрытия, с медным покрытием ( Cu ), с серебряным покрытием (Ag ), с антибликовым покрытием ( AR ), с алюминиевым
покрытием
4) Цвета L-образной балки: анодирование чернением или белое анодирование
5) Высота L-образной планки
6) Магнитная монтажная пластина
Примечание. Любые обновления могут быть изменены без предварительного уведомления.
Геодезический инструмент, геодезическое оборудование, геодезические аксессуары, мобильная картографическая система, мобильная картографическая съемка, съемка LiDAR, картографическая система SLAM, удаленная съемка, геопространственные данные,
захват реальности, съемка SLAM, геодезическая призма, призма 360 градусов, призма 90 градусов, призма «кошачий глаз», мини-призма, набор мини-призм, система мини-призм, мини-мониторинг Призма, призма мониторинга, отражатель призмы, призма отражателя, призма дорожного мониторинга, дорожная призма, дорожная шпилька, роботизированная призма, роботизированная призма, роботизированная призма, вращающаяся призма, мини-призма для разбивки, комплект поперечных призм, система поперечных призм
, туннельная призма, призма для дрона, призма для БПЛА, призма GPS, лазерная призма, сканер Призма, 3D-призма, целевая призма, оптическое стекло, оптическая призма, оптический квадрат, светодиодная мигающая
призма, мигающая призма, стробоскопическая призма, туннельная призма, строительная призма, призма метро, L-образная призма, L-образная мини-призма, U-образная мини-призма, U-образная мини-призма, U-образная призма мониторинга, двухсторонняя призма, двухсторонняя призма
, мини-45 градусов Призма, Призма GMP, Дорожная призма, Круглая дорожная призма, Квадратная дорожная призма, Дорожная шпилька, Мини-пакет призм, Шаровая призма, Шаровая мини-призма, Скользящая призма, Скользящая мини-призма,
Сферически установленный ретро-отражатель (SMR), Красный кольцевой отражатель (RRR), Лазерный трекер, Сферическая призма, Сферический отражатель, Рельсовый башмак, Рельсовый башмак, Светоотражающая сфера Призма, премьер-призма
(Faro, Geomax, GeoSLAM, Leica, Mini, Marvice, Nikon, Onrol, Pentax, Riegl, SECO, Sokkia, Spectra, Stonex, Topcon, Trimble, Zeb, Geomaster)
Детали упаковки
Модель: GMP104B1 -05Cu/25,4
1. NW: 2 00-205 г
2.Кол-во/CTN: 50 шт.
3.GW/CTN: 12 кг
4.Размер: 0,02 куб.м (45см×20см×22см)
Детали упаковки
Модель: GMP104B1 -05Cu/25,4
1. NW: 2 00-205 г
2.Кол-во/CTN: 50 шт.
3.GW/CTN: 12 кг
4.Размер: 0,02 куб.м (45см×20см×22см)
Geomaster (Канада) Int'l Supplies, Inc.
(входит в группу Geomaster) Монреаль, Квебек, Канада
электронная почта:
Тяньцзинь Geochoix Equip Sales Ltd (входит в группу Geomaster). Все права защищены.
Протокол ICP:津ICP备17003947号-1 津ICP备14007425号-1